Dreieckslenker selber wechseln?

Die wohl interessanteste Kategorie. Ihr habt Probleme mit Eurem Peugeot? Die Werkstatt weiss mal wieder nicht weiter? Das Handbuch gibt auch nichts mehr her? Na dann, stellt Eure Frage hier rein.
Howard
ATU-Tuner
Beiträge: 51
Registriert: Mo 24.11.08 11:03
Postleitzahl: 04849
Land: Deutschland
Wohnort: Bad Düben

Dreieckslenker selber wechseln?

Beitrag von Howard » Fr 14.09.12 08:24

An meinem 106 II müsste vorne rechts der Dreieckslenker gewechselt werden (ausgeschlagen, klappert).
Kann man das selber machen? Wenn ja wie lange braucht man und welches Werkzeug? Gibt es dazu eine Anleitung?
106 D, BJ 09/2001, z.Z. 235.000 km

Benutzeravatar
*firemaster*~
Benzinpreisignorierer
Beiträge: 2545
Registriert: Mo 21.06.10 11:44
Postleitzahl: 51647
Land: Deutschland
Wohnort: GM

Re: Dreieckslenker selber wechseln?

Beitrag von *firemaster*~ » Fr 14.09.12 08:43

bisher habe ichs nur beim 306 gemacht. aber beim 106er sollte es auch gehen. guck sonst einfach mal drunter wo die befestigungspunkte sind. falls dein rad kein spiel hat oder deine lenkung nicht flattert und es nur klappert, dann ist es nur die koppelstange(stabi)
:zwinker:

Howard
ATU-Tuner
Beiträge: 51
Registriert: Mo 24.11.08 11:03
Postleitzahl: 04849
Land: Deutschland
Wohnort: Bad Düben

Re: Dreieckslenker selber wechseln?

Beitrag von Howard » Fr 14.09.12 08:49

Lenkung flattert nicht und Rad hat auch kein Spiel. Es klappert auch "nur" wenn man auf schlechter Strasse eine linkskurve fährt (oder über abgesenkte Bordsteine) an ein und ausfahrten.
Was muss man beim wechsel der Koppelstange beachten?
106 D, BJ 09/2001, z.Z. 235.000 km

Benutzeravatar
*firemaster*~
Benzinpreisignorierer
Beiträge: 2545
Registriert: Mo 21.06.10 11:44
Postleitzahl: 51647
Land: Deutschland
Wohnort: GM

Re: Dreieckslenker selber wechseln?

Beitrag von *firemaster*~ » Fr 14.09.12 12:10

Bild
Also die Koppelstangen sind rechts und links die kleinen stangen die nach oben zeigen der rest ist der stabilisator. verbindet die beiden stoßdämpfer miteinander.

zum testen wenn du auf nummer sicher gehen willst. mit ner brechstange, oder irgendwas als hebel, den stabilisator kurz vor der koppelstange runterdrücken und gucken ob irgendein gelenk in der koppelstange spiel hat.
Es müssen nicht unbedingt die koppelstangen sein, aber es ist sehr häufig so, wenn nix festzustellen ist ausser klappern wenn man über hubbel fährt ;)

sieht zum lösen ganz easy aus. jede stange hat nur 2 muttern und fertig..... denkste ..;) die schraube ist ja in dem kugelkopf gelager dreht sich also mit und meistens ist das gewinde total vergammelt so das die mutter sehr schwer ab geht. man kann meist vorne in der schraube mit nem imbus geenhalten beim lösen oder noch besser kurzvor dem gelenk mit nem schraubenschlüssel gegenhalten. leider haben das nicht alle für den schraubenschlüssel und wenn das gewinde dann schon etwas angegammelt ist musst du meistens die mutter abflexen da es sonst nicht mehr los geht. das ganze einfach umgekehrt wieder zusammenbauen. wenn du das siehst ist es easy. kannst es ja versuchen. wenn du das nicht abkriegst, kannste immer noch in die werkstatt ;) musst dir halt nur noch die passenden stabis für dein auto bestellen.
:zwinker:

Benutzeravatar
Dark Star *CTi*
Reservetankfahrer
Beiträge: 1575
Registriert: Fr 13.08.04 07:30
Postleitzahl: 91472
Land: Deutschland
Wohnort: bei Bad Windsheim

Re: Dreieckslenker selber wechseln?

Beitrag von Dark Star *CTi* » Fr 14.09.12 14:14

Hi, das klappern/poltern kann schon auch der Dreieckslenker sein. Hatte ich auch, beidseits, da war das hintere Gummilager in Auflösung. Koppelstangen hat der 106er mMn gar keine, da ist der Stabi mit Gummilagern direkt am Dreieckslenker befestigt. Ist eigentlich kein großer Aufwand. Das Traggelenk kann etwas problematisch werden. Und vorsicht! wenn das Traggelenk gelöst ist, schwingt das Federbein frei herum, da kann die Antriebswelle aus dem Getriebe rutschen, was eine mittelgroße Getriebeölsauerei gibt. Ich hatte das komplette Programm vorne beidseits Antriebswelle & Dreieckslenker in einem Nachmittag durch. Spezialwerkzeug brauchst eigentlich nicht, eine große bewegte Masse (Hammer) kann hilfreich sein ;) Die vordere Befestigung ist mit eingebauter Antriebswelle etwas schwierig zu erreichen.
Grüße aus Franken,

Norman :kaffee:

306 Cabriolet 1.6, 1997, Chinablau, 'fahrende Teilrestauration' TÜV 'ohne erkennbare Mängel' bis 12/18!
Renault Kangoo 1.5 dci, 2006, Korsikablau
und n 2012er Kangoo als Dienstwagen in weiß

Benutzeravatar
obelix
Administrator
Beiträge: 19541
Registriert: Mi 21.03.01 00:00
Postleitzahl: 71640
Land: Deutschland
Wohnort: Ludwigsburg
Kontaktdaten:

Re: Dreieckslenker selber wechseln?

Beitrag von obelix » Fr 14.09.12 18:05

Dark Star *CTi* hat geschrieben:Koppelstangen hat der 106er mMn gar keine, da ist der Stabi mit Gummilagern direkt am Dreieckslenker befestigt.
nicht ganz richtig:-)
ich verkauf die dinger sogar ab und zu *grins*

Bild

gruss

obelix
308SW, der aktuelle Alltagshobel: VF34H5FWC9S197117
Meine Oldtimer

Benutzeravatar
Dark Star *CTi*
Reservetankfahrer
Beiträge: 1575
Registriert: Fr 13.08.04 07:30
Postleitzahl: 91472
Land: Deutschland
Wohnort: bei Bad Windsheim

Re: Dreieckslenker selber wechseln?

Beitrag von Dark Star *CTi* » Fr 14.09.12 21:12

Aua, da ist der PhII wohl doch was anderst gestrickt ... :vorkopphau:
Grüße aus Franken,

Norman :kaffee:

306 Cabriolet 1.6, 1997, Chinablau, 'fahrende Teilrestauration' TÜV 'ohne erkennbare Mängel' bis 12/18!
Renault Kangoo 1.5 dci, 2006, Korsikablau
und n 2012er Kangoo als Dienstwagen in weiß

buddha63
Serien-Wagen-Fahrer
Beiträge: 3
Registriert: Fr 24.08.12 16:23
Postleitzahl: 39106
Land: Deutschland

Re: Dreieckslenker selber wechseln?

Beitrag von buddha63 » So 16.09.12 10:59

kleiner tipp: das schwenklager sitzt häufig recht fest in der aufnahme des federbeins. wenn die lenkung gerade gestellt ist, lässt sich das schwenklager des dreiechslenker besser aus der aufnahme des federbeins herausziehen.

ich habe mal einen dreieckslenker bei minusgraden und mit einfachstem werkzeug (z.b. nur 2 böcken, keine hebebühne) gewechselt. hat ca. 1 h gedauert und war nicht allzu kompliziert. man muss sehr aufpassen, dass die antriebswelle nicht aus dem getriebe rutscht.

Benutzeravatar
CCandy
NOS - Junky
Beiträge: 1188
Registriert: Mi 24.08.11 00:09
Wohnort: 1° vorm Polarkreis

Re: Dreieckslenker selber wechseln?

Beitrag von CCandy » So 16.09.12 19:45

buddha63 hat geschrieben:... man muss sehr aufpassen, dass die antriebswelle nicht aus dem getriebe rutscht.
Dazu könnte es hilfreich sein, die Antriebswellenmutter zu lösen und die Welle etwas aus dem Achsschenkel zu ziehen. Sonst halt eine Wanne unters Getriebe stellen und anschliessend den ausgelaufenen Schluck Getriebeöl (75W-80 oder 75W-90) auffüllen. (Natürlich nicht das aufgefangene und evtl. verdreckte alte Öl wieder einfüllen sondern neues Öl nehmen.)

senninha
ATU-Tuner
Beiträge: 55
Registriert: Fr 12.01.07 05:24

Re: Dreieckslenker selber wechseln?

Beitrag von senninha » So 20.01.13 08:16

Hallo :)
Ich wollte diesen Fred gerne noch einmal aufgreifen,
denn ich habe bei meinem 2003er 1.5 D auch ein leichtes Klappern an der Vorderachse.
Dreiecks - oder Querlenker samt Gelenke mit Lager
sowie Stoßdämpfer mit Domlager habe ich bereits erneuert,
trotzdem klappert es beim Überfahren kurze Unebenheiten auf der Straße.
Meine Frage :
Es wird hier von Koppelstangen gesprochen,
aber bitte wo sollen diese beim 106er sitzen ?
Der Stabi läuft an den Ende auf den Dreieckslenker und
ist auch dort befestigt.
Vom Stoßdämpfer geht nur der Spurstangenkopf mit Stange zum Lenkgetriebe,
was anderes sehe ich da nicht.
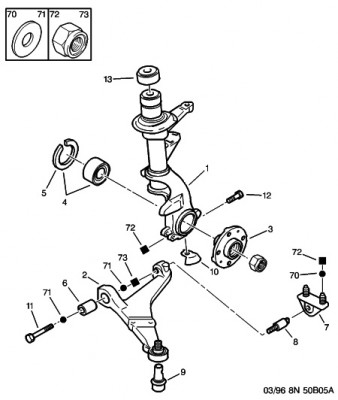
Hier auf den Bildern sieht man es auch.
Kann es sein, dass es da beim 106er
je nach Motorisierung Unterschiede gibt ?
Dateianhänge
00046840.jpg
00018245.jpg
Stabi.jpg

Antworten