Service
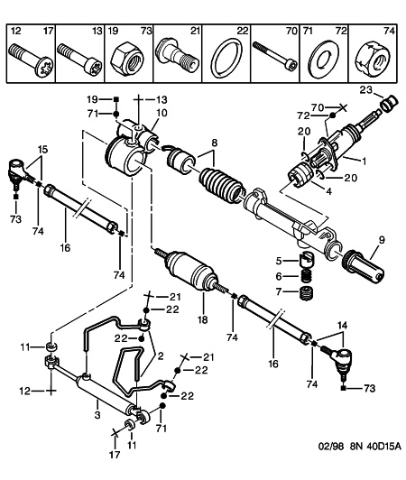
nicht ganz richtig:-)Dark Star *CTi* hat geschrieben:Koppelstangen hat der 106er mMn gar keine, da ist der Stabi mit Gummilagern direkt am Dreieckslenker befestigt.

Dazu könnte es hilfreich sein, die Antriebswellenmutter zu lösen und die Welle etwas aus dem Achsschenkel zu ziehen. Sonst halt eine Wanne unters Getriebe stellen und anschliessend den ausgelaufenen Schluck Getriebeöl (75W-80 oder 75W-90) auffüllen. (Natürlich nicht das aufgefangene und evtl. verdreckte alte Öl wieder einfüllen sondern neues Öl nehmen.)buddha63 hat geschrieben:... man muss sehr aufpassen, dass die antriebswelle nicht aus dem getriebe rutscht.