Motorlüfter läuft ständig

Die wohl interessanteste Kategorie. Ihr habt Probleme mit Eurem Peugeot? Die Werkstatt weiss mal wieder nicht weiter? Das Handbuch gibt auch nichts mehr her? Na dann, stellt Eure Frage hier rein.
Antworten
Hauber406
STVO-Fan
Beiträge: 5
Registriert: Sa 19.03.11 11:26
Postleitzahl: 91244
Land: Deutschland

Motorlüfter läuft ständig

Beitrag von Hauber406 » Sa 19.03.11 11:48

Hallo erstmal,

bin jetzt auch seit 1 Monat Löwen Fahrer.

Habe mir einen 406 BJ.95 1,8L wieder aufgebaut.

Habe aber immer noch ein Problem mit dem Motorlüfter. Dieser wurde von meinen Vorgänger restlos zerstört.
Angeblich hatte er einen Eisblock angefahren :nixkapier:
Daraufhin war er in einer Freien Werkstatt die dann die ausgebrochenen Lüfter einfach mit Kabelbinder am Kühler befestigte.

Habe mir jetzt in der e-bucht einen gebr. Doppellüfter bestellt und eingebaut. Auch die def. Sicherungen habe ich getauscht.
Nun zu meinen Problem

Wenn ich die Zündung anmache, fangen erst beide Lüfter das laufen an (langsam). Nach kurzer Zeit schaltet der rechte Lüfter
(in Fahrtrichtung) ab. Dafür Läuft der linke voll an.
Schalte ich die Zündung dann wieder aus, laufen beide wieder langsam. Wie lange das gehenwürde weis ich noch nicht.
Ich denke es währe wohl eher die Batterie leer.
Start ich den Motor läuft der linke lüfter voll weiter und auch die STOP leuchte leuchtet weiter.
nach ca. 30 sek geht er dann aus und auch die STOP leuchte ist wieder weg.

Ich hoffe das mir von euch jemand helfen kann.
Danke schon im vorraus

Ich hoffe auf eine nette Zukunft bei euch im Forum.

Wagi78

Re: Motorlüfter läuft ständig

Beitrag von Wagi78 » Sa 19.03.11 16:04

Hallo, hast du die Relais vom alten übernommen oder hast du alles so gelassen bei dem E-Bay Lüftern ?

Hört sich fast so an als ob was mit den Relais nicht stimmt, schau mal in dem kleinen Dreieck zwischen den Lüftern, dort sind drei Relais verbaut.

Normalerweise laufen beide Lüfter in Reihe (langsame Drehzahl) wenn die Klima eingeschaltet ist, bis zu einem bestimmten Druck in der Anlage (~17bar), dann schaltet der Druckschalter eines der Relais und dieses dann die Lüfter parallel (schnelle Drehzahl).

Wenn die Klimaanlage abgeschaltet ist laufen die Lüfter nur ab einer bestimmten Wassertemperatur erst langsam und wenn das nicht reicht schnell.

Würde mal die Relais überprüfen und den Thermoschalter.

Hier hast du mal ein Schaltbild (allerdings vom 306) : http://translate.google.de/translate?hl ... l%26sa%3DG

Gruß Daniel

Benutzeravatar
406 D
Spätzünder
Beiträge: 1664
Registriert: Di 11.11.03 00:00
Postleitzahl: 26632
Land: Deutschland
Wohnort: ihlow

Re: Motorlüfter läuft ständig

Beitrag von 406 D » Sa 19.03.11 18:03

moin,

1,8 liter baujahr 95, hast du eine klimaanlage drin?

wenn er keine klimaanlage hat, es gibt auch lüfter mit nur einem ventilator.

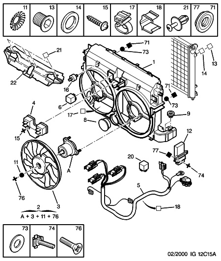
hier mal ein bild von der version mit 2 ventilatoren:
lüfter.jpg
die angesprochenen relais sind hinter der nr. 4, dafür die maske nr 22 abnehmen.

prüf auch mal den kabelstrang nr. 5, besonders die masseanschlüsse richtung karosserie unterhalb der batterie.

andreas

Hauber406
STVO-Fan
Beiträge: 5
Registriert: Sa 19.03.11 11:26
Postleitzahl: 91244
Land: Deutschland

Re: Motorlüfter läuft ständig

Beitrag von Hauber406 » Sa 19.03.11 21:38

Erstmal ein Dankeschön für die Klasse Antworten.

Ich habe die Lüfter gebraucht bei ebay gekauft und so eingebaut wie sie waren.
Da diese als top zustand und voll funk. verkauft wurde.

Habe nach euren Antworten die Relais am Lüfter mit den 3 die im alten Lüfter verbaut waren getauscht.
Habe sie natürlich erst schnell geprüft.

Uns siehe da , ihr hattet Recht. Der Fehler ist weg.
Es waren die Relais .
Problem gelöst dank euch.

Vielen Lieben Dank

Michael

Antworten